第三章 列车通信网络——TCN

发表于 讨论求助 2018-02-03 09:16:59

本节主要内容

1.简介;

2.TCN概述;

3.列车通信网的结构;

4.列车通信网的体系结构;

5.多功能车辆总线MVA; 

6.绞式列车总线WTB。

1.简介

  

(1)列车通信网络协议 

列车通信网的主要功能是作为沟通各个控制、诊断单元的信息通道,实现信息交流,从而达到列车通信网的主要功能是作为沟通各个控制、诊断单元的信息通道,实现信息交流,从而达到控制的统一资源共享的目的。

       列车中所用的网络协议主要包括:TCN通信网络标准、Lonworks通信网络标准、ARCNET通信网络标准以及CAN通信网络标准。这些协议或专为铁路系统设计;或者是为适用于铁路系统而改进的通用通信网络标准。

(2)列车通信网络的两个标准

1)美国电气与电子工程师协会IEEE1473:1999《列车通信协议》

①T型:IEC61375-1:1999规定的TCN

②L型:美国电子工业协会EIA709.1:1998《控制网络协议规范》及EIA709.3:1998《自由拓扑双绞线信道规范》规定LonWorks型

2)国际电工委员会IEC61375-1:1999《铁道电气设备 列车总线第1部分:列车通信网络(TCN)》

(3)列车控制网络的应用

①西门子的铁道自动化系统SIBAS(SIBAS16和SIBAS32);

②Adtranz公司的 MICAS(MICAS-S和MICAS-S2),MITRAC;

③ALSTOM公司的AGATE(以WORLDFIP总线协议为基础);

④列车通信网络的IEC/UID标准化对目前和将来的开发提供了一个良好的基础;

⑤ADtranz、Firema、Siemens和其他多家制造厂的所有新项目均以TCN为基础

(4)列车控制网络的介质

1)TCN推荐:

①列车总线用双绞屏蔽线

②200米以内车厢总线用双绞屏蔽线

③大于200米车厢总线用光纤

2)光纤:抗电磁干扰能力强,传输速率高;光电转换接口透镜不能沾上灰尘和油污,价格高

3)双绞屏蔽线:特性阻抗、衰减率、机械强度

4)特性阻抗:(120±12),全列车的列车总线和车厢总线的特性阻抗必须一致

5)衰减率:车厢总线要求在0.52倍工作频率内,两设备间由介质引起的总衰减不超过8dB;列车总线的主干电缆不超过10dB/km

2.TCN概述

1988年IEC第9技术委员会TC9成立了第22工作组WG22,其任务是制订一个开放的通信系统,从而使得各种铁道机车车辆能够相互联挂,车上的可编程电子设备能够互换。

1992年6月,TC9WG22以委员会草案CD(committee Draft)的形式向各国发出列车通信网TCN(Train Communication Network)的征求意见稿。该稿分成4个部分:第1部分-总体结构,第2部分-实时协议,第3部分-多功能车辆总线MVB,第4部分-绞式列车总线WTB。

1994年5月至1995年9月,欧洲铁路研究所(ERRI)耗资300万美元,在瑞士的Interlaken至荷兰的阿姆斯特丹的区段,对由瑞士SBB、德国DB、意大利FS、荷兰NS的车辆编组成的运营试验列车进行了全面的TCN试验。

1999年6月,TCN标准草案正式成为国际标准,即IEC61375。

 TCN(列车通信网络)于1999年6 月正式成为国际标准,即月正式成为国际标准,即IEC61735。该标准对列车通信网络的总体结构、连接各车辆的列车总线、连接车辆内部各智能设备的车辆总线及过程数据等内容进行了详细的规定。

它分为上、下两层,上层为列车总线,下层为车辆总线

列车总线由各个车厢内固定安装的物理传输介质(双绞线或同轴缆)通过车厢之间的互连而构成。每个车厢内设一个通信节点,列车总线通过节点与车辆总线相连。

车辆总线分别设置在各节车厢内,连接该节车厢的各个控制单元与设备。

分三层结构:列车级控制、车厢级控制、设备级控制。

3.列车通信网的结构 

(1)WG22 区分两种主要不同的列车:

①开式列车              

例子: 国际旅客列车。

       包括需要频繁编组和解编的车辆,列车总线能自动再配置(初运行)。


②闭式列车组          

例子: TGV, ICE, 地铁, 郊区通勤列车

       车辆在运行中不分离。

       列车总线由司机或工厂离线配置。

(2)列车通信网络

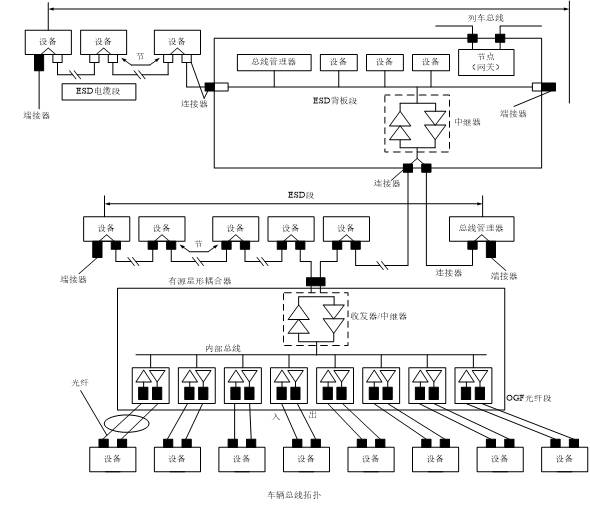
  列车网络通信是列车总线车辆总线的二层结构,列车总线连接不同的车辆或动车组单元,贯穿整个列车;车辆总线连接车辆内部的控制单元或诊断单元等智能装置,车辆总线通过网关(或类似的装置)挂接于列车总线上。

图中给出了三节的结构,其中,车厢中从站及智能设备的数量因要求不同而有差别。

列车总线与车辆总线是两个独立的通信子网, 而且有不同的通信协议。节点就是进行协议转换的网关

        一般有动力装置的车厢(动车或机车)内的节点称主节点(Master Node),无动力装置的车厢的节点称为从节点(Slave Node)。每一列车在运行中必须有一个且只能有一个控制总线工作的节点,称为控制节点。正常情况下以前导车的主节点为主控节点。主控节点管理列车总线的运行,必要的时候主控节点可以切换。

       车辆总线的运作由各车厢的节点来管理。

(3)补充

      1) 网络互连的基本概念

网络互连要将分布在不同地理位置的网络、网络设备连接起来,构成更大规模的网络系统,以实现互连网络的资源共享。网络互连是计算机网络和通信技术迅速发展的结果,也是网络系统应用范围不断扩大的自然要求。

相互连接的网络可以是同种类型网络,也可以是运行不同网络协议的异型系统。网络互连要求在不改变原网络协议、硬、软件的前提下,使连接对原网络的影响减至最小。通过网络互连技术使原来因所用协议不同不能相互通信的网络间实现相互通信

2)网络互连设备与相应层次

网络互连从通信协议的角度可分为四个层次:

物理层,使用中继器(repeater)在不同网段之间复制位信号;

数据链路层,使用网桥(bridge)在局域网之间存储或转发数据帧;

网络层,使用路由器(router)在不同网络间存储转发分组信号;

传送层及传送层以上,使用网关(gateway)进行协议转换,提供更高层次的接口。

一般局域网间的互连在传输层以下,采用中继器网桥进行连结。而局域网与广域网间的连接多采用路由器。协议差别较大的网络高层应用系统之间可采用网关

中继器:起简单的信号放大作用,用于驱动很长的通信介质。主要有电信号中继器光信号中继器,它对所通过的数据不作处理,主要作用在于延长电缆和光缆的传输距离。

       网桥:是存储转发设备,用来连接同一类型的局域网。网桥接收帧,并送到数据链路层进行差错校验,再送到物理层,通过物理传输介质送到另一个子网或网段。它具备寻址与路径选择的功能,在接收到帧之后,要决定正确的路径将帧送到相应的目的站点。网桥能够互连两个采用不同数据链路层协议、不同传输速率、不同传输介质的网络。它需要两个互连网络在数据链路层以上采用相同或兼容的协议。

       现场总域网段间的连接主要选用中继器和网桥。

路由器网关的任务比网桥和中继器要复杂得多,其功能包括协议转换、信号传递、分段、重装、流量控制、差错控制等,适用于通用的网络应用系统。

路由器:从路径选择角度为逻辑上独立的不同子网用户之间传输数据提供传输路线。

网关:又被称为网间协议变换器,用以实现不同通信协议的网络之间、包括使用不同网络操作系统的网络之间的互连。由于它在技术上与它所连接的两个网络的具体协议有关,因而用于不同网络间转换连接的网关是不相同的。

4.列车通信网的体系结构

列车通信网的结构应遵循ISO/OSI 7层模型。列车通信网络作为局域网,节点功能固定,故只涉及了网络中的上下两层和应用层。其中数据链路层在应用于局域网时分成了两个子层:逻辑链路控制LLC(Logic Link Control)子层和介质存取控制MAC(Medium Access Control)子层。

MAC子层处理局域网中各站对通信介质的争用问题,对于不同的网络拓扑结构可以采用不同的MAC方法;而LLC子层屏蔽各种MAC子层的具体实现,将其改造成为统一的LLC界面,从而向网络层提供一致的服务。

 列车通信网上的实时性、可靠性及网络构成的实用性要求比较高。

TCN (列车通信网络)将列车上的智能设备连接起来,完成下述功能:

 ①列车牵引控制及车辆控制(如车门、车灯等的远程控制);

 ②远程诊断及维护;

 ③旅客信息及舒适性;

       TCN包括两层结构:

 ①连接各车辆的绞线式列车总线(Wire Train Bus—WTB),列车新编组时可自动配置,通信介质为双绞线通信速率为1Mbit/s;          

 ②连接一节车辆内或车辆组(单元)各设备的多功能车辆总线(Multifunction Vehicle Bus—MVB),经优化具有快响应性,通信介质为双绞线或光纤,通信速率为1.5Mbit/s。

       网络管理部分包括对网络的配置、维护、及操作。

5.多功能车辆总线MVB(Multifunction Vehicle Bus )

MVB总线用于连接位于同一节车辆内或不同车辆内的标准设备,构成一列车通信网。标准设备包括可编程设备和智能传感器和执行器。

MVB可以连接4096个设备,不同设备分配不同地址。其256个站具有消息传送能力。


MVB传输的数据有以下三类:

①过程数据:

定时广播的带源地址的数据,定时间隔小于1ms;

②消息数据:

有请求时应答,带有目的地址的点对点或广播数据;

③管理数据:

用于事件判决、主设备转换、设备状态发送的数据。

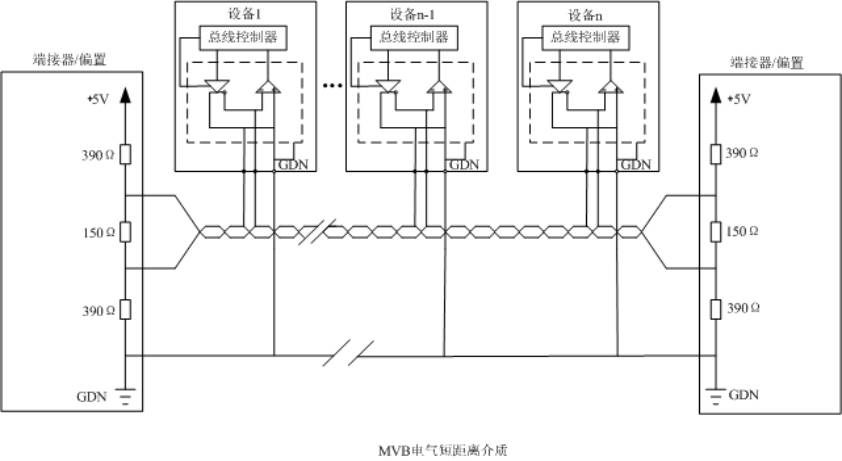
(1) MVB物理层

       MVB提供三种通信介质,工作速率相同。

①标准的RS-485收发器,距离20m,最多连接32个设备;

IEC61158-2规定的变压器及电气隔离收发器,采用屏蔽双绞线,距离200m,最多32个设备;

③光纤,距离2000m,点对点连接或星形连接。

     MVB上连接的设备都有一总线控制器,设备通过它来控制总线访问。

     MVB采用曼彻斯特编码,每一数据位码元中间都有跳变,从高到低的跳变(负跳变)表示‘1’,正跳变则表示‘0’

MVB电气短距离介质:

贯通三个车辆的MVP电气中距离介质:

车辆总线星型耦合器的组态:

  一个MVB结构应该包括1个或多个总线段。各总线段必须经由耦合器相互连接:采用连接不同介质的中继器,或将光纤汇入总线的星形耦合器。

车辆总线拓扑:

(2)MVB 帧

       MVB帧是由9-bit起始位+数据+8-bit校验位+结束位构成的。

      MVB有两种帧:

      主控帧:总线的某个总线管理器发送的帧;

      从属帧:由总线从设备发送,回应某个主控帧。

      基于帧结构,MVB共有16种报文,在主控帧中以一个字码(F-code)来区分,如表所示。

MVB F-code表(主控帧类型):

       MVB介质访问控制采用主从方式,由唯一的主控器以定时轮询的方式发送主控帧

       总线上其它设备均为从属设备,需要根据收到的主控帧来回送从属帧,它们不能同时发送信息。

       MVB由专用主设备—总线管理器进行管理,管理器是唯一的主设备。为增加可用性,可能有多个总线管理器,它们以令牌方式传递主设备控制权。在一个给定时间,仅有一个管理器在总线上工作。对于多个偶发性响应,主设备减少发送设备数量,直到不发生冲突。

根据通信网上所传输数据的性质和实时性的要求,把通信网上的数据分为三类:

       ①过程数据(process data):是那些短而紧迫,传输时间确定和有界的数据。把列车运行的控制命令和运行状态信息定义为过程数据。过程数据的传输是周期性的。

       ②消息数据(message data):是那些非紧迫的但可能冗长的信息。把诊断信息、显示信息和服务功能作为消息数据来传送。它们的传送是非周期的,而且可以根据需要分帧传送。

       ③管理数据(Supervisory data):是网络自身管理、维护和初始化时在通信网中传递的数据。这些数据只有在网络重构或初始化时才传递,且传递时与其他两种数据不发生冲突。

       因此在列车运行时通信网上传送的只有过程数据消息数据

列车运行时通信网上传送的过程数据消息数据用周期传送和非周期传送来区分。周期性和偶发性数据通信共享同一总线,但在各设备中被分别处理。周期性和偶发性数据发送由充当主节点的一个设备控制,这保证了确定性的介质访问。为此,主节点在基本周期中交替产生周期相偶发相,如图所示。

6.绞式列车总线WTB(Wired Train Bus)

       绞式列车总线 WTB是一种串行通信总线,主要是为车辆间建立通信连接而设计的。下图表示了绞式列车总线的组成。


(1) WTB物理层

        WTB采用屏蔽双绞线,要求有较高的机械连接性能。使用该种介质可以达到1Mbit/s通信速率,长度为860m,对应22节26m长的UIC列车,可连接至少32个节点

        MVB采用曼彻斯特编码,每一数据位码元中间都有跳变,从高到低的跳变(负跳变)表示‘1’,正跳变则表示‘0’。

(2)WTB帧

所有的帧符合同一编码方式,遵循HDLC(ISO/IEC3309)标准。每次通信均由主节点建立,被选择的从节点对主节点的命令帧回复应答帧。下图为一报文时序图,包含一主节点命令帧和一丛节点的应答帧。

(3)WTB的介质访问

       ①总线主节点负责介质访问,所有其他从节点只有当总线主对其轮询时才响应。

       ②当列车网络组成改变时,每个节点都通知总线主自己所需被轮询的周期,总线主据此建立轮询策略。

      ③基本周期为25ms,紧迫的过程数据可以请求每个周期被轮询,不紧迫的可请求按特征周期轮询,一个特征周期是基本周期的整倍数。   

④随着车辆数的增加,周期相增长,偶发相收缩。对于偶发性数据,总线只要按顺序轮询节点,为缩短搜索时间,可通告有偶发性数据,则总线主在周期相后再次轮询该节点偶发数据。

      ⑤每个基本周期里,总线主轮询其中一个端节点;如果端节点是自身,仍然轮询自己并响应,以便让所有其他节点检测总线主的存在口。

(4)WTB列车初运行

①一个列车内的初运行

       总线主设备控制WTB的配置,当列车的组成改变时,即车厢被连挂或解挂时,主设备重新组织总线,这个过程叫做列车初运行

       在初运行时,所有节点接收到一个唯一的标识它们在列车中的位置的地址,节点还必须能确定列车的定向,以便区分左右,例如门控制。在初运行结束时,所有节点都知道新的构形,并且总线进入常规操作。

       在初运行过程中,节点和网络线段从电气上连接起来,形成一条两端都有终端连接器的单一总线。初始时,如果一个节点未被命名,它的介质连接装置便通过打开总线开关,同时在与之相连的每段的末端插入一个终端连接器的方法,把总线断开。介质连接装置的两个信道监听总线,每个信道监听一个方向(一个没命名的从设备不能发送帧)。

列车总线主设备的选择取决于应用。通常列车司机通过某种方法,比如插入一把钥匙,来选择司机室内的节点作为主设备,这个节点的编号为01,并最终由它控制总线。

       主设备通过交替地向每个方向发检测请求帧来确定启动初运行,下一个从设备将会检测到主设备发出的帧,并用一个检测响应帧作为回答,指明自己是一个没被命名的从设备。

       当主设备检测到一个方向上的没命名的从设备的回答后,它把其它通道切换到列车这一端,发一个命名请求给没命名的设备,告诉它“你是02号节点”。收到这一命名请求的从节点发一响应给主设备,以确认它已接受地址02,然后它把自己的标识设置为02,并打开主设备方向上的主通道。

主设备不能直接询问第三个节点,因为如果不存在第三个节点,闭合总线开关,移走节点02的终端连接器将会使总线不能正常工作。

     像主设备一样,第2个节点通过辅助通道发检测请求帧第3个节点(如果存在)将发回一个检测响应给02,然后由节点02向主设备报告检测到一个没命名的节点。为实现这一功能,主节点要定期轮询这一方向的端节点,读取它们的检测状态。

       如果节点02报告检测到了一个没命名的节点,主设备就打开02作为中间节点(闭合总线开关,移走终端连接器,并关闭辅助通道),这时主设备就可以直接访问节点03,给它命名。

持续这一交换直到这一方向上的所有节点都被命名。尽管导向车厢可能是推式车厢,这种情况下,由于可能的节点都位于司机室的前方,初运行时接63,62,…等给节点命名。

        当端节点在一定的时延之内不再向主设备报告检测到其它节点时,主设备认为检测到了列车的末端。但是没有返回响应并不能安全地识别就是最后一节车厢,例如,下一节车厢可能没有可操作的列车总线设备,因此必须用其它方法(打开自动耦合开关,人工开关)来识刻列车的末尾。另外,还希望司机对列车组成部分的完整性进行检查。    

当两个方向的节点都被命名之后,主设备把构形发送给各从设备,构形中包括每个已命名的节点的描述符。在收到构形之前,节点不能参与常规操作,这是因为节点需要用构形对收到的帧解码。

        在常规操作时,端节点周期性地向列车末端发检测请求来检测列车的长度。当端节点报告列车的组成改变时,如果条件允许(例如,车速<5Km/h),主设备重新启动初运行过程。

②控制权的转移

        尽管应用允许多个节点都成为主设备,但实际上一次只能有一个可操作的主设备,这些节点叫做弱节点。

        弱节点允许列车总线在没有指定主设备的情况下进行操作:在一定时间内没有检测到总线动作的从设备将成为弱主设备。有可能同时存在多个弱主设备,且每一个都想给它的邻节点命名,直到两个已命名的段发生冲突。这时,其中一个弱主设备自称为主设备,并重新命名其它段。

        应用可以指定一个节点作为主设备,这个节点叫做强节点

        在应用的控制下,充当主设备的节点可以改变。在终点站可逆(推—拉)列车改变运行方向时,就要改变主节点:司机从司机室中取下钥匙,走到列车的另一头,把钥匙插在这一端的司机室中。在取下钥匙时,主设备还像以前一样控制列车,但这时它是作为弱主设备,它仅仅通知其它的节点自己被降级。降级将禁止一些功能。

        在另一个节点插入钥匙后,这个从设备便升级为强节点。当弱主设备检测到有一个节点已经升级时,它取消对所有节点的命名,并退回到从设备状态。然后新的主设备重新命名所有的节点。

③两列车的连接

        当两列初运行过的车连接时,未端节点识别出列车被加长了。由于节点在收到检测帧时就已经被命名,它们只回答一个指明其组成部分个数的应答帧。下一步的工作取决于主设备的强度:

        如果两列车都是在强主设备控制下,那么每一列车都发一个信号给应用,说明检测到了另一列不能对其命名的列车。

        如果一个主设备是强主设备而另一个是弱主设备,则弱主设备的端节点就发一个信号给弱主设备,从未端节点开始,逐个取消对名节点的命名。然后,再发一个信号给强端节点,告诉它自己是没命名的,强主设备就接管这些设备,并象单个列车那样进行初运行。

        如果两个主设备都是弱主设备,则拥有较多的已命名节点的弱主设备成为主设备。如果两个弱主设备拥有同样数目的已命名的节点,由端结点决定哪方取胜。仲裁进程保证总是有一个赢家。




扫一扫二维码或搜索“suesgdjc”关注我们!




发表
26906人 签到看排名